YESWELDER TIG205DS HF TIG/Stick/Arc TIG Welder,205 Amp 110 & 220V Dual

Yeswelder 205ds Manual. YesWelder 205DS Review Is It The Best MultiProcess Welder? For those who prefer more control, the manual MIG mode allows users to customize both wire feed speed and voltage according to personal preferences and. YESWELDER TIG-205P PRO - Pulse TIG Welder Manual (article) YESWELDER TIG-200P ACDC - Aluminum TIG Welder Manual (article) Welding System Yeswelder YWM-211P Operator's Manual

YESWELDER MIG205DS MULTIPROCESS WELDER Manual ManualsLib
YESWELDER MIG205DS MULTIPROCESS WELDER Manual ManualsLib from www.manualslib.com

Observe all safety information throughout this manual The ARC-205DS PRO is a 205 amp arc welding power source which utilizes single phase input power, to produce constant current Output The welding response of this machine has been optimized for stick (SMAW) and LIFT TIG (GTAW).

YESWELDER MIG205DS MULTIPROCESS WELDER Manual ManualsLib

YesWelder MIG-205DS Multi-Process Welder has a wide application with Synergic Controlled MIG function, easy and simple operation For those who prefer more control, the manual MIG mode allows users to customize both wire feed speed and voltage according to personal preferences and. Lincoln Electric 10357 Operator's Manual Operator's manual (60 pages) Yeswelder ARC-400Q User Manual Operation & user's manual (8 pages) Soldatech ML175E Manual Manual (36 pages) Alfa IN PEGAS 201 MIG SYN PFC Operating.

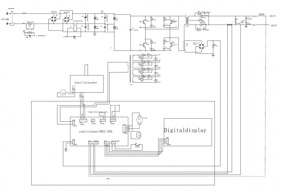
YesWelder MIG205DS IGBT INVERTER MULTI FUNCTIONS WELDING MACHINE. Lincoln Electric 10357 Operator's Manual Operator's manual (60 pages) Yeswelder ARC-400Q User Manual Operation & user's manual (8 pages) Soldatech ML175E Manual Manual (36 pages) Alfa IN PEGAS 201 MIG SYN PFC Operating. For more details, please kindly read "operator safety manual" in accord with accident.

Yeswelder Mig 205ds Manual. YesWelder MIG-205DS Multi-Process Welder has a wide application with Synergic Controlled MIG function, easy and simple operation YesWelder MIG-205DS IGBT INVERTER MULTI FUNCTIONS WELDING MACHINE.